1-4-1.并联式开关电源的工作原理
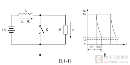
图1-11-a是并联式开关电源的最简单工作原理图,图1-11-b是并联式开关电源输出电压的波形。
图1-11-a中Ui是开关电源的工作电压,L是储能电感,K是控制开关,R是负载。
图1-11-b中Ui是开关电源的输入电压,Uo是开关电源输出的电压,Up是开关电源输出的峰值电压,Ua是开关电源输出的平均电压。

当控制开关K接通时,输入电源Ui开始对储能电感L加电,流过储能电感L的电流开始增加,同时电流在储能电感中也要产生磁场;当控制开关K由接通转为关断的时候,储能电感会产生反电动势,反电动势产生电流的方向与原来电流的方向相同,因此,在负载上会产生很高的电压。
在Ton期间,控制开关K接通,储能滤波电感L两端的电压eL正好与输入电压Ui相等,即:eL=Ldi/dt=Ui——K接通期间(1-35)

式中iL为流过储能电感L电流的瞬时值,t为时间变量,i(0)为流过储能电感的初始电流,即:开关K接通前瞬间流过储能电感的电流。
一般当占空比D小于或等于0.5时,i(0)=0,由此可以求得流过储能电感L的最大电流ILm为:
ILm=Ui*Ton/L——K接通期间(D=0.5)(1-37)
式中Ton为控制开关K接通的时间。
当图1-11-a中的控制开关K由接通状态突然转为关断时,储能电感L会把其存储的能量(磁能)通过反电动势进行释放,储能电感L产生的反电动势为:

式中C为常数,把初始条件代入上式,就很容易求出C,由于控制开关K由接通状态突然转为关断时,流过储能电感L中的电流iL不能突变,因此,i(Ton+)正好等于流过储能电感L的最大电流ILm,所以(1-39)式可以写为:

当t等于很大时,并联式开关电源输出电压的值将接近输入电压Ui,但这种情况一般不会发生,因为控制开关K的关断时间等不了那么长。
从(1-42)式可以看出,当并联式开关电源的负载R很大或开路时,输出脉冲电压的幅度将非常高。
因此,并联式开关电源经常用于高压脉冲发生电路。
此帖出自电源技术论坛
开关电源,工作原理,连载
大功率电感厂家 |大电流电感工厂